發布日期:2022-04-22 點擊率:65
積分電路主要用于波形變換、放大電路失調電壓的消除及反饋控制中的積分補償等場合。
積分電路是使輸出信號與輸入信號的時間積分值成比例的電路。最簡單的積分電路由一個電阻R和一個電容C構成,如圖1所示。電阻R和電容C串聯接入輸入信號VI,由電容C輸出信號V0,當RC(τ)數值與輸入方波寬度tW之間滿足:τ>>tW (一般至少為10倍以上),在電容C兩端(輸出端)得到鋸齒波電壓,如下圖所看到的:

由上圖可知,當t=t1 時,Vi由0-》Vm,由于電容兩端的電壓不能突變,所以此時Vo=Vc=0;
當t1>tw,電容充電很緩慢;
當t=t2 時,VI由Vm→0,相當于輸入端被短路,電容原先充有左正右負電 壓VI經R緩慢放電,VO(VC)按指數規律下降。
這樣,輸出信號就是鋸齒波,近似為三角形波,τ》》tW是本電路必要條件,由于他是在方波到來期間,電容僅僅是緩慢充電,VC還未上升到Vm時,方波就消失,電容 開始放電,以免電容電壓出現一個穩定電壓值,并且τ越大,鋸齒波越接近三角波。輸出波形是對輸入波形積分運算的結果,他是突出輸入信號的直流及緩變分量,減少輸入信號的變化量。這種積分電路配合施密斯觸發器的應用便能夠得到標準矩形波的延時電路。
主要是確定積分時間C1R1的值,或者說是確定閉環增益線與0dB線交點的頻率f0(零交叉點頻率)。當時間常數較大,如超過10ms時,電容C1的值就會達到數微法,由于微法級的標稱值電容選擇面較窄,故宜用改變電阻R1的方法來調整時間常數。但如所需時間常數較小時,就應選擇R1為數千歐~數十千歐,再往小的方向選擇C1的值來調整時間常數。因為R1的值如果太小,容易受到前級信號源輸出阻抗的影響。
洗碗機是一種自動清洗餐具的廚房設備,它的出現減輕了炊事員及家庭“煮夫”的勞動強度,并且提高了相應地工作效率。目前,洗碗機在歐美已經廣泛用于普通家庭中。有數據統計,在歐美主要國家,洗碗機的普及率已達到70%以上,幾乎是家家戶戶必備的廚房生活電器,由于洗碗機在中國的發展時間較短,家庭普及率很低。隨著科技和時代的進步,人們追求生活的便利性也在增長,洗碗機必然受到當代青年的追求。
本設計是一種基于單片機去實現自動洗碗機的功能,實現一鍵操作整個過程。本設計的洗碗機主要過程包括自動進水、循環洗碗、自動出水的功能,并能實時地顯示出當前剩余的時間;另外,為了更好地實現生活的便利性,該系統還設計了對碗筷等進行紫外光消毒、風干等功能。為了實現各部分的功能,本設計主要采用單片機的定時/計數器的功能去控制時間變量。通過對時間變量的比較,達到控制洗碗機按照自動進水、自動循環攪動、自動出水、風干、消毒等程序順序執行,從而實現一鍵啟動洗碗機的簡單操作流程。洗碗機整體設計框圖如圖1所示。

圖1 洗碗機整體設計框圖
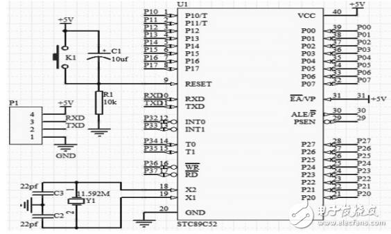
本設計采用STC89C52單片機作為核心處理器。STC89C52是一種帶8K系統可編程Flash存儲器的低功耗、高性能CMOS8位微處理器。它是增強型的8051單片機,指令代碼完全兼容傳統8051單片機,用戶可應用的程序空間為8K字節,片上集成了512字節RAM,具有EEPROM功能以及看門狗功能。除此之外,還具有3個16位定時器/計數器。在編程上,其ISP/IAP無需專用編程器以及專用的仿真器,直接可以通過串口線下載程序。單片機的時鐘電路通常采用內部時鐘電路,利用石英晶體和電容組成的并聯諧振回路。晶振的負載電容

式中的Cd,Cg分別為接在晶振的兩個引腳上和對地的電容,而Cic+c的經驗值是3-5pf,電容的大小可以起到頻率微調的作用。通常晶振在11.592MHZ的時候,所匹配的電容為22p。復位電路能使單片機在出錯后,能夠使個寄存器的值變回初始狀態的操作。在時鐘電路工作后,復位引腳上出現持續的2個機器周期的高電平就能完成復位操作。為了便于操作,通常采用開關復位的模式,按鍵按下的時候,電容C短路,RST出現高電平。如果時間超過復位的時間,即可完成復位操作。當按鍵彈起后,由于電容(隔直通交)的作用,使得RESET引腳出現低電平,即可使單片機恢復正常運行。其電阻R與電容C的大小的選擇,只要其時間常數τ=RC的值大于2個機器周期即可。STC89C52的EA/VPP引腳控制著程序訪問的地方,當EA=1時,CPU從片內ROM讀取指令;EA=0時,CPU從片外ROM讀取指令。由于片內ROM能滿足本設計的存儲大小,故本設計的引腳設置為高電平。STC89C52單片機可通過IAP模式進行程序下載,即通過串口接受需要燒錄的程序代碼,然后進行“自編程”完成燒錄。因此電路設計上預留RXD、TXD的接口連接RS232轉TTL的模塊上來完成燒錄的功能。單片小系統電路圖如圖2所示。

圖2 單片機小系統電路圖
下一篇: PLC、DCS、FCS三大控
上一篇: 鋸齒波發生電路是什么